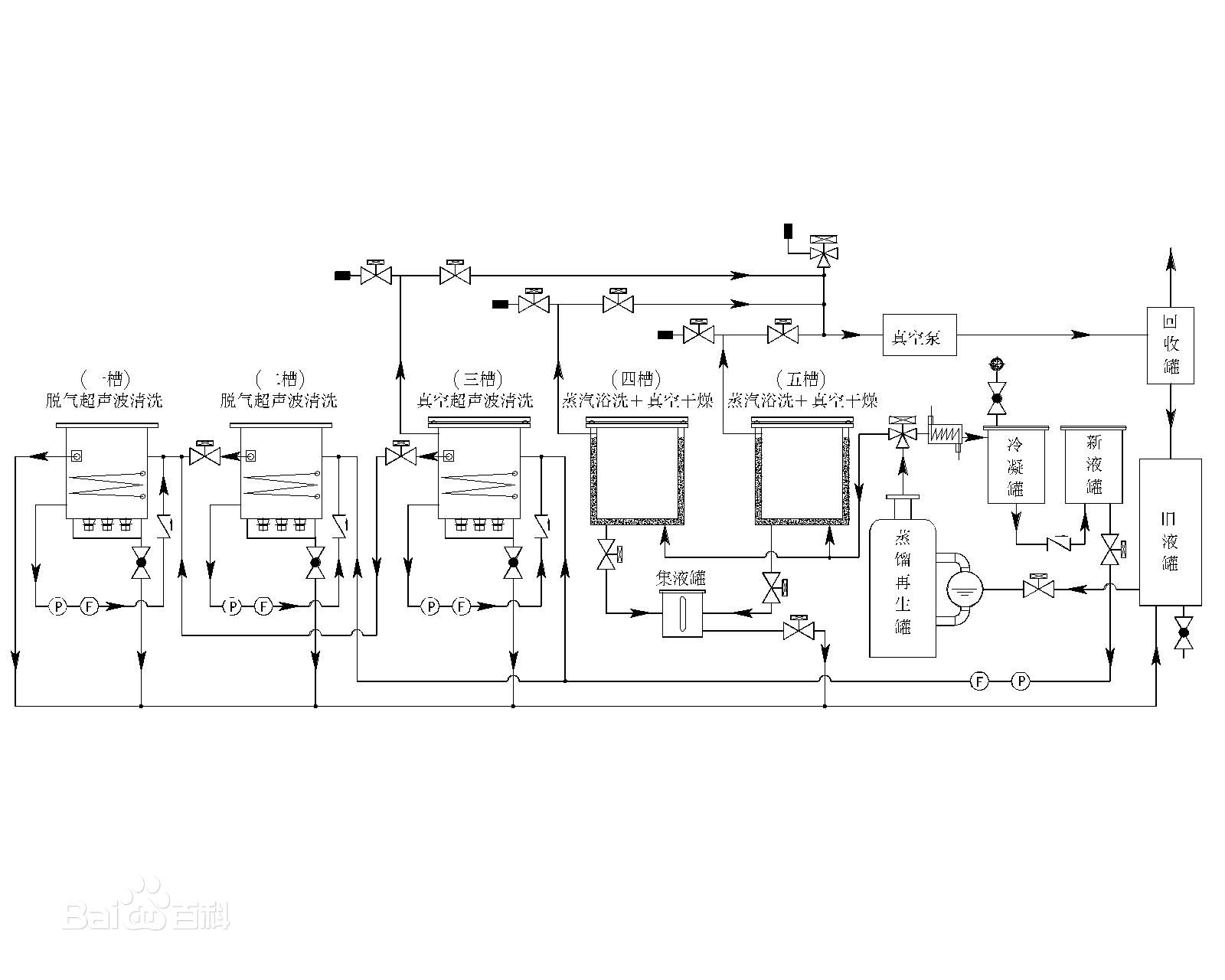
最近碰到一客戶咨詢我們的洗蠟王的時候提出一個疑問: 是不是必須要更換專用設備才能使用這款產品? 首先,要使洗蠟王(除蠟型碳氫清洗劑)發揮其最大的功效,設備是必不可少的。 那是否必須更換設備? 不一定。 經驗豐富的工程師會根據企業現有的清洗工藝、設備及清洗需求的不同,在原有的清洗設備上進行改良,讓企業在成本可控的范圍內實現環保碳氫清洗工藝。 那么除了結合設備進行清洗外,還能使用哪些方式實現碳氫清洗作業呢? 1、手工擦洗、浸泡清洗 手工擦洗指的是使用毛刷或抹布蘸上碳氫清洗劑對工件表面上的油污進行擦洗。操作靈活方便,不受清洗工件限制,但所需勞動強度大,效率低,不建議在大規模清洗工作中使用。 此方法適用于體積大、數量少、結構不復雜的零部件或設備表面。 浸泡清洗指的是將清洗工件放入清洗箱內,再將稀釋好的清洗液倒入,油脂逐漸被清洗液所溶解。浸洗法清洗省力但是清洗并不徹底,如果油污過重不建議使用。 適用范圍:批量清洗,一般工件除油或定期保養維護。 2、超聲波清洗機清洗 超聲波是一種頻率超出人類聽覺范圍20kHz以上的聲波,啟動超聲波清洗產品時,在聲場作用下的振動,當聲壓達到一定值時,氣泡將迅速增長,然后又突然閉合。 ? (圖片來源于網絡) 在氣泡閉合時,由于液體相互碰撞,將產生強大的沖擊波及局部的高溫高壓沖擊待清洗產品的表面,在碳氫清洗劑配合作用下從而快速將油污、粉塵從工件表面剝離或者溶解,使之分離。 超聲波設備清洗速度快、質量高、簡單、易于實現自動化,在機械制造業的各個領域得到了廣泛的應用。 在超聲波清洗的過程中還可以配合旋轉、擺動、脫氣的清洗方式,不但清洗效果更好,而且相對投資較少,易于實現。 3、碳氫真空清洗機清洗 真空清洗是利用液體在真空狀態下結合超聲波作用,使得超聲波傳播能量迅速增大,減少由于空氣造成的超聲波衰減,從而達到加強清洗剝離污垢的目的。 特別是針對一些存在通孔、盲孔、細小夾縫的工件,使用真空清洗可大大增強清洗的效果; 真空狀態下,空氣被抽走,使得發生火災事故幾率大大減少,從而提高碳氫使用安全性; 在真空密封狀態下,避免長期暴露空氣中,減少了碳氫清洗劑蒸汽的揮發速度,從而減少清洗劑的用量,為客戶節省成本。 ?(圖片來源于百度百科) 如果你對碳氫清洗感興趣, 想要了解更多碳氫清洗工藝或有其他疑惑, 都可向新球客服Vicky咨詢~ -END-
?

